
Offset stick bracket for custom work
In many custom situations a stick of right shape and size is not available - necessitating an extension bracket like you see here:
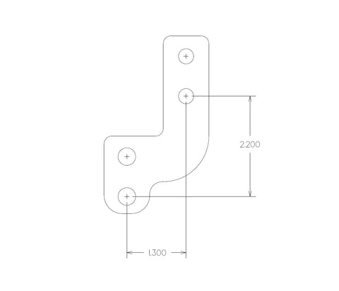
- Offsets stick 2.2" upward and 1.3" rearward
- * as bracket lengthens lever, shifter travel at knob will increase...
- Made of 5/16" thick mild steel, zinc-plated
- Lower holes are clearanced for 3/8" bolts
- Upper holes have 3/8"-24 thread to mount stick
- Bolts for upper holes included (reuse existing bolts in lower holes)
- Smooth on both sides (no stick serrations)
- Mate smooth side of Hurst stick to bracket face
- Mate bracket to smooth side of stub where possible - usually requires flipping stub 180 deg in housing to get smooth faces of stick and stub on same side
- Warning - some stubs do NOT have a smooth side
- Apply RTV silicone sealant to mating faces before final assembly, to enhance connections, and torque 3/8" bolts to 30 ft-lbs
- NOTE: dust boot for base must remain in use - you probably need to install the bracket, install the dust boot, and then install the stick
We Also Recommend