Menu
Cart

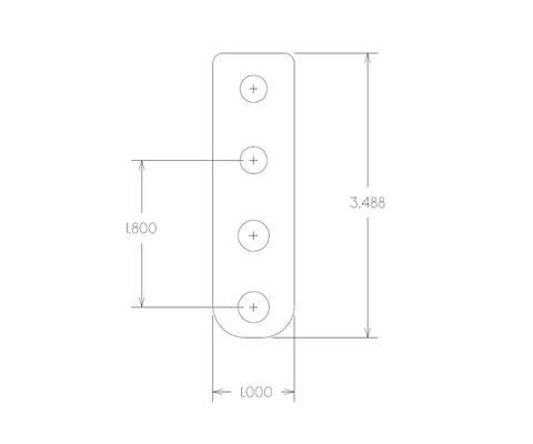
Vertical stick extension bracket for trucks w/ body lift


This item is sold out; it may be a few months until it returns


Trucks with body lifts need the shifter stick to be elevated to restore knob location to a comfortable position. Sometimes this can be achieved by swapping out the stick or stub normally included in a shifter kit for a taller version, but in many situations a taller stick of the same shape is not available - necessitating a custom extension bracket like you see here:

  • Select from 1.8" or 3.5" elevation
    • * as bracket lengthens lever, shifter travel at knob will increase...
  • Made of 5/16" thick mild steel, zinc-plated
    • Lower holes are clearanced for 3/8" bolts
    • Upper holes have 3/8"-24 thread to mount stick
    • Bolts for upper holes included (reuse existing bolts in lower holes)
  • Smooth on both sides (no stick serrations)
    • Mate smooth side of Hurst stick to bracket face
    • Mate bracket to smooth side of stub where possible - usually requires flipping stub 180 deg in housing to get smooth faces of stick and stub on same side
      • Warning - some stubs do NOT have a smooth side
    • Apply RTV silicone sealant to mating faces before final assembly, to enhance connections, and torque 3/8" bolts to 30 ft-lbs
  • NOTE: dust boot for base must remain in use - you probably need to install the bracket, install the dust boot, and then install the stick
While intended primarily for trucks, this bracket may also be useful in some custom situations where the desired stick height cannot be found - however focus should first be on selecting the best shifter base fulcrum height as that is a better way to control knob height.

We Also Recommend